ACE-250

CLAMPING SYSTEM
The five pivot toggle mechanism by advanced computer optimization, andthe finite element analysis of guiding the optimal structure design, ensurethe locking mechanism of rigidity and strength, plate roller mechanismdynamic unique, ensure the balance and use the built-in mute mechanism,mechanical safety mechanism, without adjustment, high safety, accuracyand life of lubricating protection system complete locking mechanism.
●Tie bar adopt surface hard chromium plating processing.
●With adjustable fect slip block structure.
●Automated centrauzed lubrication system.
●Sgnchronous gear mold adjustment.
●Sensor feet connecting thrust block.
●Optimization design of toggle Structure, clamp of openingand closing fast and smooth.

NJECTION SYSTEM
A short powerful double cylinder injection system and high precision linear guiderail, with low inertia and high response mechanism to ensure smooth injection,injection and template deformation, optimization design of screw assembly.achieve better plasticizing effect. Automatic cleaning bucket, anti salivation, anticold start delay function, ensure the efficient, convenient and safe.
●Double shot moving oil cylinder to improve the stability of injection.
●Double parallel linear guide rails improve injection stability and response speed.
●High speed hydraulic motor for screw.
●Injection, holding pressure closed-loop control and precise back pressure control.
●Screw barrel demolishing vertically makes it easy to replace.
●High-strength mechanical structure design, keep lasting precision.
●Low speed and high torque hydraulic motor drive screw rotation, excellent performance of plastic
●Optimized design of screw, wide range of raw materials.

HYDRAULIC SYSTEM
The hydraulic system is advanced by pressure and flow proportionalcontrol to achieve fast multi-stage pressure and speed switching, systemconfiguration is reasonable, advanced, stable and reliable operation, thenoise is lower than 75dB, The whole series of machines adopt two-waycartridge valve system, improve the system flow and response speed,which makes the best performance.
●Cartridge valve added in the hydraulic system insures the fast response &small impact,which reduces the consumption of the pressure.
●Spiral flow cooler is high in heat transfer efficiency and less pressure loss.ltguarantees stable operation of hydraulic system, improves repetitionaccuracy and qualification rate of products.
●Low speed and large torque hydraulic motor meets plasticizing demand ofdifferent raw material.

ELECTRIC SYSTEM
Operation excellence performance, user-friendlyinterface, enhance the sensitivity and stability ofthe machine, line curve detection function andcentral connection management, rich SPC qualitymanagement interface, is absolutely the bestweapon of your profit.

SPECIFICATIONS

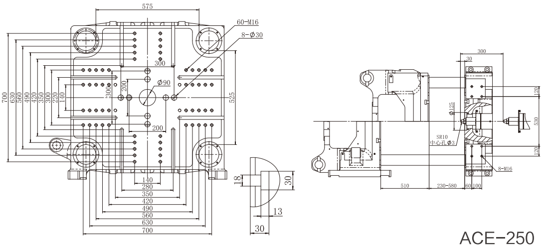
TEMPLATE SIZE DRAWING
